Childproofing device categories
Based on parent’s preferences
Video doorbells
59%
Smart door locks
59%
Motion sensors
46%
Smart plugs
47%
GPS trackers for kids
57%
Security cameras
61%
Smart smoke detectors
77%
Baby monitors
69%
Baby proofing (or childproofing) is the process of modifying a home to eliminate potential dangers and minimize injury risks to infants and toddlers as they become mobile. It involves proactive measures like covering electrical outlets, installing safety gates, securing heavy furniture, and locking cabinets to create a safe environment for exploration.
of children 10 and under have been injured in their homes, according to their parents”

of injuries could be avoided with appropriate child proofing , according to their parents”
55%
What is baby proofing?
Safest rooms according to parents
Bedroom
Living room
Parents room
Backyard
Bathroom
Front yard
Kitchen
Basement
Garage
Amy

Age
42
Occupation
Stay at home
Status
Married, 3 kids
Location
Suburban neighbourhood
TEch literate
Medium
With three kids, I just need to know what’s most dangerous right now and fix it fast
Bio
Amy spends most of her day managing the home and caring for her three children. With kids at very different developmental stages, she’s constantly juggling supervision, chores, and routines
Core needs
•
Create a secure, child-friendly home environment
•
Reduce risk of accidents around the house
•
Stay on top of potential hazards without stress
•
Ability to control the child lock remotely
Frustrations
•
Hard to monitor everything at once
•
Younger child puts small objects in their mouth
•
Older kids access tools or kitchen items independently
•
Limited time and energy to research safety thoroughly
•
Easy-to-follow safety actions she can implement fast
•
Control the lock remotely incase of emergencies.



Requirement
matrix





59%
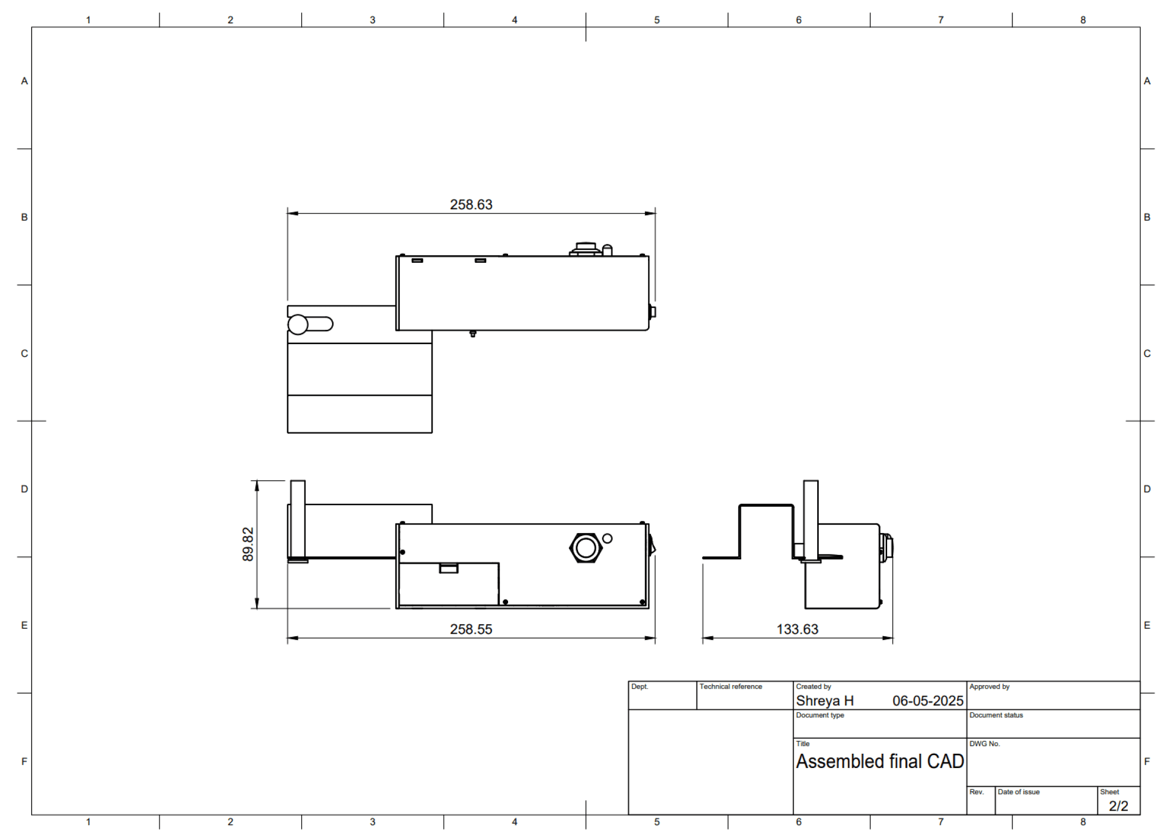
Internal mechanism prototype
Final product prototype







Technical drawnings
Ideation

Presenting
TotSecure is a remote-controlled child safety system that can be managed through a mobile app on a parent’s phone. It allows parents to lock and secure doors, cupboards, and other household areas to prevent children from accessing dangerous spaces. The system also includes a built-in safety mechanism to ensure it remains reliable and can be safely overridden if needed.



Features
Remote locking of doors, cupboards, and cabinets
Real-time control via mobile app
Emergency manual override system
Scheduled locking
Backup battery system
Easy installation


Profile

Schedule lock

Record

Settings
List of devices

Hold on and press to enable child lock
Status:
Connected
Totsecure
72%


Profile

Schedule lock

Record

Settings
List of devices

Hold on and press to enable child lock
Status:
Connected
Totsecure
72%
Lock
Unlock
Unlock UI


Profile

Schedule lock

Record

Settings
List of devices

Hold on and press to enable child lock
Status:
Connected
Totsecure
72%
Lock UI


Profile

Schedule lock

Record

Settings
List of devices

Hold on and press to enable child lock
Status:
Connected
Totsecure
72%
Low battery warning


Profile

Schedule lock

Record

Settings
List of devices

Totsecure
72%

Warning!
Low battery
Scheduling lock


Profile

Schedule lock

Record

Settings
List of devices

Totsecure
72%
Wake up!
6:15 AM
S M T W T F S
Exercise
7:00 AM
S M T W T F S
Reading
6:45 AM
Everyday
Meditate
6:00 AM
Everyday
Sat
29
Thu
3
Wed
2
Sun
30
Fri
4
Mon
31
Sat
5
Tue
1
Sun
6
February 2026
Alarm
Profile


Profile

Schedule lock

Record

Settings
List of devices

Totsecure
72%
Hi Amy!

Mother
Father
Change pin
Log out
How it works



Attach pin on door frame
Install door mount
Install door mount

Prototyping
Buck convertor
LED chip
Switch
Gear mechanism
Servo mechanism
Micro controller
(ESP32-C3 mini)
Manual over ride
Battery


